淘宝【5钻】佳的美7寸7036宽屏迷你液晶电视最新版 小电视机 热卖
2013-11-14 18:38 点击次数 :次
大家都知道淘宝网液晶 电视机官网的产品一般信誉比较好,因为网上购物有它的优势,但在挑选液晶 电视机的时候需要多个心眼,但是也不需要过分担心,因为淘宝店主花了那么多心思布置热销产品店铺,是想做长久的生意的,难道他就想骗了你买了这一个产品,然后给各差评,然后他就不要做液晶 电视机生意啦?肯定不是的,他肯定是想做长久生意的,尤其是那些信誉度很高的店主,他的信誉好不容易做到这么高,他是不会轻易让自己的信誉打折扣的,不能保证你买的液晶 电视机就没有一点问题,我们在实体店买东西还经常有些问题,但是网店老板会为了他的信誉去全力帮你解决,网店的好处就在于它最终靠的是口碑的传播。淘宝网液晶 电视机一直寻觅一个良性发展的道路,因此各位液晶 电视机卖家不要担心这些信誉是刷出来的或者这些收藏是伪造的,这些都是真实的数字,因为淘宝网坚决抵制伪造,所有伪造的数字,哪怕是一点点,都会将卖家的帐号删除,而且现在店铺都是支持退货换货的。
,深圳新闻网
文章人气:
- 未来电视与华为联手推
未来电视与华为联手推出史上最尖叫、最发烧机顶盒-华为秘盒,未来电视,机顶盒...
- 新款机ADBOX用户自评
专业从事上海卫星电视情报收集,上海卫星天线产品测评,上海卫星电视维修研究,上海卫星...
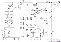
- 长虹LT3212(L01)液晶
长虹LT3212(L01)液晶电视机开关电源电路分析(多图)...
- 松下103寸等离子显示
103PF9CK是松下103寸等离子显示器,松下103PF9CK外观精美华丽,103PF9CK集松下领先技...



